光纤转换器 元器件百科 光纤转换器原理光纤转换器也称为单端口光端机,是针对特殊用户环境而设计的产品,它利用一对光纤进行单E1或单V.35或单10BaseT点到点式的光传输终端设备。该设备作为本地网的中继传输设备,适用于基站的光纤终端传输设备以及租用线路设备。而对于多口的光端机一般会直称作“光端机”,对单端口光端机一般使用于用户端,工作类似常用的广域网专线(电路)联网用的基带MODEM。”。现在在远距离传输信号时,都是采用 芯城品牌采购网 2025-10-31 13808 光纤转换器
分布式直流电源 元器件百科 分布式直流电源功能装置能量转换分布式直流电源在有外电情况下,提供能量给电池充电,并同时提供能量给长期运行的负载;在储能及分合闸操作时,更多的负载能量需求由电池提供。在交流输入失电时,由电池提供全部能量给输出。自动管理分布式直流电源利用单片机对蓄电池进行智能充放电管理,有定时自动均充、自动转浮充功能。随时对装置进行自检,并提供装置本体的蜂鸣器报警及外部报警信号接点输出,并可与上位机通信,可用于有人、 芯城品牌采购网 2025-10-31 13386 直流电源
压电陶瓷材料 元器件百科 压电陶瓷材料基本原理压电效应的原理是,如果对压电材料施加压力,它便会产生电位差(称之为正压电效应),反之施加电压,则产生机械应力(称为逆压电效应)。如果压力是一种高频震动,则产生的就是高频电流。而高频电信号加在压电陶瓷上时,则产生高频声信号(机械震动),这就是我们平常所说的超声波信号。也就是说,压电陶瓷具有机械能与电能之间的转换和逆转换的功能,这种相互对应的关系确实非常有意思。压电材料可以因机械变 芯城品牌采购网 2025-10-31 14617 陶瓷
压电驱动器 元器件百科 压电驱动器分类按驱动方式不同,压电驱动器可分为刚性位移驱动器和谐振位移驱动器。1 刚性位移驱动器刚性位移驱动器的驱动模式主要有多层式驱动器和单(双)晶片驱动器,此外还有Rainbow驱动器、Moonie驱动器和Cymbals驱动器等,几种模式在大小、质量、位移量及负载能力上均各有特点。2 谐振位移驱动器谐振位移驱动器(超声波电机)种类繁多,从毫米级的微型电机到厘米级的小型电机;从单自由度的直线电机 芯城品牌采购网 2025-10-31 11532 驱动器
介质谐振天线 元器件百科 介质谐振天线介绍随着无线通信事业的飞速发展,对于天线的小型化、宽频带、低损耗等性能提出了更高的要求。虽然各种各样的微带天线因其低剖面、轻质量等优点,已经得到了深入的研究和广泛的应用,但由于在高频段金属欧姆损耗高和在低频段天线几何尺寸大这两个关键性技术瓶颈的存在,其发展和应用受到了一定的限制。近年来,一种新型天线――介质谐振器天线由于良好的性能而受到了广泛的关注和研究。介质谐振天线优势介质谐振器早期 芯城品牌采购网 2025-10-31 10626 天线
半导体材料 元器件百科 半导体材料制备不同的半导体器件对半导体材料有不同的形态要求,包括单晶的切片、磨片、抛光片、薄膜等。半导体材料的不同形态要求对应不同的加工工艺。常用的半导体材料制备工艺有提纯、单晶的制备和薄膜外延生长。所有的半导体材料都需要对原料进行提纯,要求的纯度在6个“9”以上,最高达11个“9”以上。提纯的方法分两大类,一类是不改变材料的化学组成进行提纯,称为物理提纯;另一类是把元素先变成化合物进行提纯,再将 芯城品牌采购网 2025-10-31 15093 半导体
光纤温度传感器 元器件百科 光纤温度传感器原理在低温区(400℃以下),辐射信号较弱,系统开启发光二极管(LED)使荧光测温系统工作。发光二极管发射调制的激励光,经聚光镜耦合到Y型光纤的分支端,由Y型光纤并通过光纤耦合器耦合到光纤温度传感头。光纤传感头端部受激励光激发而发射荧光,荧光信号由光纤导出,并通过光纤耦合器从Y型光纤的另一分支端射出,由光电探测器接收。光电探测器输出的光信号经放大后由荧光信号处理系统处理,计算荧光寿命 芯城品牌采购网 2025-10-31 12211 光纤温度传感器
分布式恒流 元器件百科 分布式恒流优缺点优点:1、分布式恒流设计LED产品,有着非常高的产品稳定性。2、保持支路和整体电流稳定,还要能方便控制管理支路和整体线路工作。3、让AC电源部分继续沿用传统开关电源,恒压的供电模式。4、在分布式LED驱动设计中,驱动回搜、色温可调、灰度控制都要变得方便。缺点:开始会增加部分设计成本,产品设计品质与线路设计选择需要权衡。可能成本增加是短暂的,表面的,应该综合考量。分布式恒流节点设置分 芯城品牌采购网 2025-10-31 11006 恒流
压阻压力传感器 元器件百科 压阻压力传感器主要特点1.灵敏度高:硅应变电阻的灵敏因子比金属应变片高50~100倍,故相应的传感器灵敏度很高,一般满量程输出为100mv左右。因此对接口电路无特殊要求,应用成本相应较低。由于它是一种非机械结构传感器,因而分辨率极高,国外称之无限,即主要受限于外界的检测读出仪表限制及噪声干扰限制,一般均可达传感器满量程的十万分之一以下。硅压阻传感器在零点附近的低量程段无死区,且线性优良。2.精度高 芯城品牌采购网 2025-10-31 10780 压阻传感器
光隔离器 元器件百科 光隔离器分类光隔离器的品种很多,按其内部结构可分为块状型、光纤型和波导型。块状型结构属分立元件结构,是指在光路结构中,通过自聚集透镜、偏振器和法拉第旋转器等分立元件,将光纤间接耦合起来。此类器件在技术上已经成熟,现在市场上的隔离器基本上都采用这种结构。其缺点在于所用光学元件多、体积相对较大。光纤型是指在隔离器的光路结构中将光纤端面作适当的加工,如抛光、镀膜等,其他材料的元件则不介入或较少介入光路。 芯城品牌采购网 2025-10-31 12332 隔离器
光纤电流传感器 元器件百科 光纤电流传感器概述光纤电流传感器是一种新型的电流传感器,与电磁式电流互感器相比,基于光学、微电子、微机技术的光纤式电流传感器(OFCT),具有无铁心、绝缘结构简单可靠,体积小、重量轻、线性度好、动态范围大、无饱和现象,输出信号可直接与微机化计量及保护设备接口等优点。这些优点既满足、推动了电力系统的发展,而且应用前景十分广阔。当线偏振光(见光的偏振)在介质中传播时,若在平行于光的传播方向上加一强磁场 芯城品牌采购网 2025-10-31 14795 光纤电流传感器
低噪声放大器 元器件百科 低噪声放大器简介低噪声放大器(lownoiseamplifier)是噪声系数很低的放大器。一般用作各类无线电接收机的高频或中频前置放大器,以及高灵敏度电子探测设备的放大电路。在放大微弱信号的场合,放大器自身的噪声对信号的干扰可能很严重,因此希望减小这种噪声,以提高输出的信噪比。由放大器所引起的信噪比恶化程度通常用噪声系数F来表示。理想放大器的噪声系数F=1(0分贝),其物理意义是输出信噪比等于输入 芯城品牌采购网 2025-10-31 10459 噪声放大器
单电源差动放大器 元器件百科 单电源差动放大器特性1、输出范围:20mV至(VS-0.2)V2、输入共模范围:地电压以下至6×(VS-1V)3、增益:×20,可变范围:×1至×1604、400kΩ差分输入电阻5、精确的中量程失调能力6、提供单极/双极/三极低通滤波7、将1kΩ负载驱动至+4V(VS=+5V)单电源差动放大器技术指标电源电压:+3.0V至+36V反相电压保护:-34V峰值输入电压(40ms):60V内置瞬变尖峰保 芯城品牌采购网 2025-10-31 12778 电源放大器
信号放大器 元器件百科 信号放大器简介使用直放站作为实现“小容量、大覆盖”目标的必要手段之一,主要是由于使用直放站一是在不增加基站数量的前提下保证网络覆盖,二是其造价远远低于有同样效果的微蜂窝系统。直放站是解决通信网络延伸覆盖能力的一种优选方案。它与基站相比有结构简单、投资较少和安装方便等优点,可广泛用于难于覆盖的盲区和弱区,如商场、宾馆、机场、码头、车站、体育馆、娱乐厅、地铁、隧道、高速公路、海岛等各种场所,提高通信质 芯城品牌采购网 2025-10-31 7049 信号放大器
前置放大器 元器件百科 前置放大器概述前置放大器在放大有用信号的同时也将噪声放大,低噪声前置放大器就是使电路的噪声系数达到最小值的前置放大器。对于微弱信号检测仪器或设备,前置放大器是引入噪声的主要部件之一。整个检测系统的噪声系数主要取决于前置放大器的噪声系数。仪器可检测的最小信号也主要取决于前置放大器的噪声。前置放大器一般都是直接与检测信号的传感器相连接,只有在放大器的最佳源电阻等于信号源输出电阻的情况下,才能使电路的噪 芯城品牌采购网 2025-10-31 7572 放大器
单模光缆 元器件百科 单模光缆简介主要是由纤芯、包层和涂敷层构成;纤芯是由高度透明的材料制成的;包层的折射率略小于纤芯,从而造成一种光波导效应,使大部分的电磁场被束缚在纤芯中传输;涂敷层的作用是保护光纤不受水汽的侵蚀和机械的擦伤,同时又增加光纤的柔韧性。在涂敷层外,往往加有塑料外套。按光纤的原材料的下同,光纤可分为以下几种类型:(1)石英系光纤(2)多组份玻璃纤维(3)塑料包层光纤(4)全塑光纤根据光纤横截面上折射率分 芯城品牌采购网 2025-10-31 14763 光缆
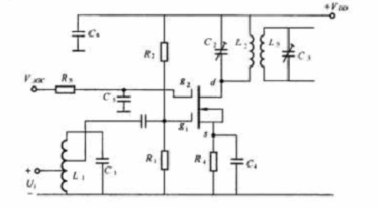
双栅场效应管 元器件百科 双栅场效应管原理双栅场效应管也称为双栅MOS管。它是一个管子中有两个控制极。从结构上来看可以认为是两个单栅场效应管的串联,增加了第二栅极g2,它具有一定的屏蔽作用,使得漏极与第一栅极之间的反馈电容变得很小,如图所示是彩色电视机高频调作用的双栅场效应管高频放大器。双栅场效应管高频放大器从结构上来说可以认为是共源-共栅放大器的形式。值得注意的是栅g2的电压时可以改变场效应管正向传输特性曲线的斜率,从而 芯城品牌采购网 2025-10-31 12440 双栅场效应管
先导式电磁阀 元器件百科 先导式电磁阀简介先导式电磁阀,通电时,依靠电磁力提起阀杆,导阀口打开,此时电磁阀上腔通过先导孔卸压,在主阀芯周围形成上低下高的压差,在压力差的作用下,流体压力推动主阀芯向上移动将主阀口打开;断电时,在弹簧力和主阀芯重力的作用下,阀杆复位,先导孔关闭,主阀芯向下移动,主阀口关闭;电磁阀上腔压力升高,流体压力向主阀芯加压,密封更好。先导式电磁阀参数先导式电磁阀尺寸先导式电磁阀特性先导膜片式结构,低功能 芯城品牌采购网 2025-10-31 6610 电磁阀
双包层光纤激光器 元器件百科 双包层光纤激光器构成双包层光纤激光器是由同心的纤芯,内包层,外包层以及保护层组成,内包层和外包层有同心的圆截面结构,双包层的直径远人于纤芯的r结构如图3所示.纤芯中掺人稀土兀素饵I铆等与单模光纤纤芯一样,具有很大的折射率,其用来传输单模信号光内包层具有和普通光纤的纤芯相同的材料,它的折射率处于纤芯和外包层之问,它用来传输多模泵浦光.外包层的折射率最小.内包层和纤芯构成一个大的纤芯,用来传输泵浦光, 芯城品牌采购网 2025-10-31 8772 光纤激光器
参数交流稳压电源 元器件百科 参数交流稳压电源规格参数交流稳压电源应用广泛应用于各种高精尖电子设备作隔离、抗干扰与高精度稳压电源使用,也很适宜一般电子设备作为高品质稳压供电电源。参数交流稳压电源技术指标抗干扰能力输入迭加2KV/1ms尖峰脉冲时,输出小于30V过压保护输出无过压出现短路保护输出或负载短路时,输出电压自动降为零,故障排除后恢复正常工作。功率因素>0.95尖峰吸收输入叠加2KV/1ms脉冲,输出≤30V绝缘等 芯城品牌采购网 2025-10-31 11172 交流稳压电源
分量分配器 元器件百科 分量分配器特性・350M带宽,直流型放大驱动;・能完美地和国内外各种品牌的DVD及电视机搭配使用,保证能在多电视机同时播放高清晰三色差分量信号;・兼容DVD逐行扫描分量信号Y、Pb、Pr和隔行扫描分量信号Y、Cb、Cr;・采用精良的线路设计,及合理的信号分配,加上多级放大电路,使图像及色彩更清晰;・逐行扫描,支持480i,480p,720i,720p,1080i,1080p等高清格式及多种同步方式 芯城品牌采购网 2025-10-31 8423 分配器
双位置继电器 元器件百科 双位置继电器电磁式当合闸线圈通电时,衔铁克服弹片的反作用力而动作,此时信号牌为红色。当合闸线圈断电时,由于弹片作用,使衔铁仍处于合闸位置。只有跳闸线圈通电时,衔铁克服了弹片的反作用力而被吸向跳闸位置,此时信号牌为绿色。当跳闸线圈断电时,由于弹片的限制,衔铁仍然处于跳闸位置。因此实现了闭锁的目的。工作环境1.大气压力:80~110kPa;2.空气相对湿度不大于90%(25℃);3.周围介质温度:-2 芯城品牌采购网 2025-10-31 13779 继电器
分路器 元器件百科 分路器定义通用非对称数字用户线(UADSL)的工作原理是加大电话通道和上行数据频带之间的保护带,免去需要在用户端安装的分路器,所以又可以叫做无分路器ADSL。分路器是用来使电话通道与数据通道分离的装置,免去了分路器就可以使用户在装用ADSI时,不需要有专门技术人员来装设分路器,只需要购买一个“非剩称数字用户线调制解调器”(ADSLMODEM),即插即用,和普通用的电话拨号调制解调器一样的简单方便, 芯城品牌采购网 2025-10-31 10763 分路器
单向可控硅 元器件百科 单向可控硅原理可控硅导通条件:一是可控硅阳极与阴极间必须加正向电压,二是控制极也要加正向电压。以上两个条件必须同时具备,可控硅才会处于导通状态。另外,可控硅一旦导通后,即使降低控制极电压或去掉控制极电压,可控硅仍然导通。可控硅关断条件:降低或去掉加在可控硅阳极至阴极之间的正向电压,使阳极电流小于最小维持电流以下。单向可控硅区别双向可控硅具有两个方向轮流导通、关断的特性。双向可控硅实质上是两个反并联 芯城品牌采购网 2025-10-31 12791 硅
光连接器 元器件百科 光连接器性能光纤连接器的性能,首先是光学性能,此外还要考虑光纤连接器的互换性、重复性、抗拉强度、温度和插拔次数等。光学性能对于光纤连接器的光性能方面的要求,主要是插入损耗和回波损耗这两个最基本的参数。插入损耗(InsertionLoss)即连接损耗,是指因连接器的导入而引起的链路有效光功率的损耗。插入损耗越小越好,一般要求应不大于0.5dB。回波损耗(ReturnLoss,ReflectionLo 芯城品牌采购网 2025-10-31 11887 连接器
反射式光电开关 元器件百科 反射式光电开关描述反射式光电开关是包括一个红外发光二极管和硅光电晶体管,包裹并排在聚光光学轴在一个黑色的热塑性塑料外壳。光电晶体管不受辐射的红外发光二极管在正常情况下,当一个物体靠近时,辐射是由物体反射和光电接收更为接近的物体辐射。反射式光电开关特点反射式光电开关检测方法都反应比较快、高解析、精度度高、峰值波长λ=模式灵敏度高易散热、无铅,使用寿命比较长,符合RoHS标准,是新一代的绿色环保能源, 芯城品牌采购网 2025-10-31 8938 开关
光电式转速传感器 元器件百科 光电式转速传感器分类光电式转速传感器分为投射式和反射式两类:1.投射式光电转速传感器2.反射式光电转速传感器光电式转速传感器在工业上的应用分类:1.吸收式光电转速传感器2.遮光式光电转速传感器3.反射式光电转速传感器4.辐射式光电转速传感器光电式转速传感器优点1、抗干扰性好光电转速传感器多采用LED作为光线投射部件,极少会出现光线停顿的情况,也不会存在灯泡烧毁等故障危险。另外,光电转速传感器的光源 芯城品牌采购网 2025-10-31 14225 传感器
光晶体三极管 元器件百科 光晶体三极管简介光在这类器件的有源区内被吸收,产生光生载流子,通过内部电放大机构,产生光电流增益。光晶体三极管三端工作,故容易实现电控或电同步。光晶体三极管可分为两类:双极型光晶体管、光场效应光晶体管及其相关器件。光晶体三极管双极型光晶体管双极型光晶体管从结构上分为同质型和异质型两种。图为异质结光晶体管能带图。光在基区-收集区吸收,产生的空穴(多子)在基区积累,使发射结注入更多电子以保持电中性而产 芯城品牌采购网 2025-10-31 10910 晶体三极管
双极型功率晶体管 元器件百科 双极型功率晶体管简介通常简称功率晶体管。其中大容量型又称巨型晶体管,简称GTR。功率晶体管一般为功率集成器件,内含数十至数百个晶体管单元。功率晶体管的符号,其上e、b、c分别代表发射极、基极和集电极。按半导体的类型,器件被分成NPN型和PNP型两种,硅功率晶体管多为前者。双极型功率晶体管结构及工作原理双极型功率晶体管结构是普通NPN型器件局部结构的剖面。图中1为发射区,2为基区,3为集电区,4为发 芯城品牌采购网 2025-10-31 10997 晶体管
互阻放大器 元器件百科 互阻放大器结构在激光雷达、激光陀螺信号处理等应用中经常使用雪崩光电二极管等来探测光信号,从而提取出感兴趣的信息。将二极管产生的电流信号转换为电压信号需要采用图2所示的互阻放大器结构。图中运放的正向端直接接地,Dphoto是接收信号用的光电二极管,反馈电阻Rf决定增益的大小,Vbias是反向偏置电压,它能够提高光电管相应的线性度,减小结电容,增大电路带宽。为了研究互阻放大器的频率特性,有必要使用光电 芯城品牌采购网 2025-10-31 6265 放大器
压电晶体协振器 元器件百科 压电晶体协振器概述压电晶体协振器(以下简称晶体)是数字化设备中不可缺少的关键器件之一,其主要作用是产生稳定的基准时钟信号,协调整体电路的工作。广泛用于计算机、智能化仪器仪表、控制装置、家电等电器产品上。可以说随着数字化时代的到来,晶体的应用几乎无处不在。 芯城品牌采购网 2025-10-31 6897 晶体协振器
光纤拉曼放大器 元器件百科 光纤拉曼放大器原理光纤拉曼放大器的工作原理是基于光纤中的受激拉曼散射效应。当强激光输入到非线性介质中时,在一定条件下,拉曼散射有激光的性质,不论是斯托克斯光(Stokes)还是反斯托克斯光(anti―stokes)都是相干光。这样,当弱信号光与强泵浦光同时在光纤中传输,且信号光波长在泵浦光的拉曼增益谱内,光能量将会从泵浦光转移到信号光,从而实现光放大。光纤拉曼放大器分类依据泵浦方式的不同,拉曼光纤 芯城品牌采购网 2025-10-31 6933 光纤放大器
双联电位器 元器件百科 双联电位器含义电位器实际上就是可变电阻器,它在电路中的作用是获得与输入电压(外加电压)成一定关系得输出电压,因此称之为电位器。双联电位器其实就是两个相互独立的电位器的组合,在电路中可以调节两个不同的工作点电压或信号强度,例如:双声道音频放大电路中的音量调节电位器就是双联电位器,可以同时分别调节两个声道的音量。双联电位器接法双联电位器一般用于双声道音频电路中。2排6个(或8个)接头,其中两个接地(公 芯城品牌采购网 2025-10-31 12888 双联电位器
同轴音频接口 元器件百科 同轴音频接口说明同轴音频接口(Coaxial),标准为SPDIF(Sony/PhilipsDigitalInterFace),是由索尼公司与飞利浦公司联合制定的,在视听器材的背板上有Coaxial作标识,主要是提供数字音频信号的传输。它的接头分为RCA和BNC两种。数字同轴接口采用阻抗为75Ω的同轴电缆为传输媒介,其优点是阻抗恒定,传输频带较宽,优质的同轴电缆频宽可达几百兆赫。同轴数字传输线标准接 芯城品牌采购网 2025-10-31 9935 音频
功率方向继电器 元器件百科 功率方向继电器原理现在的电力系统网络一般都是双侧电源网络,分析双侧电源供电的情况下所出现的新矛盾,可以发现,误动作的保护都是在自己所保护的线路反方向发生的故障,由对侧电源供给的短路电流所引起的。对误动作的保护而言,实际短路功率的方向照例都是由线路流向母线。显然与其所应保护的线路故障时的短路功率方向相反。因此,为了消除这种无选择的动作,就需要在可能误动作的保护上增设一个功率方向闭锁元件,该元件只当短 芯城品牌采购网 2025-10-31 10129 继电器
光纤旋转连接器 元器件百科 光纤旋转连接器特点1、转数高2、传输速率快3、抗干扰4、可靠性强5、防护等级高6、寿命长光纤旋转连接器应用范围1、海底机器人和控制船之间的信号传输;2、雷达天线和车载信号处理系统之间的信号传输3、战车的旋转塔台和车内控制台之间的信号传输4、焊接机器人与控制太之间的信号传输5、远程机械的输入输出设备与控制台之间的信号传输6、火箭导弹7、车辆上的转动炮台8、光电经纬仪9、海底电缆10、雷达天线11、物 芯城品牌采购网 2025-10-31 12078 光纤连接器
光纤连接器 元器件百科 光纤连接器基本介绍用于光纤间可重复插拔的连接器件,也称光纤活动接头。主要性能参数(及典型值)有:插入损耗光纤连接器分类在实际应用过程中,我们一般按照光纤连接器结构的不同来加以区分。以下是一些目前比较常见的光纤连接器:FC型光纤连接器这种连接器最早是由日本NTT研制。FC是FerruleConnector的缩写,表明其外部加强方式是采用金属套,紧固方式为螺丝扣。最早,FC类型的连接器,采用的陶瓷插针 芯城品牌采购网 2025-10-31 6447 光纤连接器
双槽板对板连接器 元器件百科 双槽板对板连接器电气性能双槽板对板连接器行业趋势随着双槽板对板连接器市场竞争的愈发激烈,快速有效的掌握市场发展情况成为企业及决策者成功的关键。市场分析是一个科学系统的工作,直接影响着企业发展战略的规划、产品营销方案的设计、公司投资方针的制定以及未来发展方向的确定。市场分析并非单纯从某一个层面对市场进行评价,要得到有实际价值、具有指导意义的结论,就必须从专业的角度对市场进行全面细致的分析。如此,才能 芯城品牌采购网 2025-10-31 10221 连接器
三相数显电压表 元器件百科 三相数显电压表简介三相数显电压表是新一代可编程智能仪表,采用大规模集成电路和高亮度长寿命的LED显示器,应用数字采样技术,对三相电气线路中的相电压、线电压进行实时测量、显示和控制,并通过RS485接口或模拟量变送输出接口对被测量电压数据进行远传。三相数显电压表特点三屏五位LED数码显示。可直接采集三相交流电压具有模拟量输出、通讯输出和累积电能脉冲输出功能可选。具有上下限报警报警功能,带LED报警灯 芯城品牌采购网 2025-10-31 7677 三相数显电压表
冷却液温度传感器 元器件百科 冷却液温度传感器原理发动机冷却液温度传感器细长的头部与冷却液接触,它的内部装有负温度系数的热敏电阻。如下图1所示,当发动机冷却液温度逐渐升高时,热敏电阻的阻值将逐渐下降,相反则增大,结果发动机冷却液温度发生变化时传感器的输出电压也相应变化。ECU接收冷却液温度传感器传来的信号后,对发动机的喷油时间和点火时间进行修正。冷却液温度传感器电阻的检测冷却水温度传感器的电阻检测可分为就车检测法和单件检查法两 芯城品牌采购网 2025-10-31 9386 冷却液温度传感器
保险丝电阻器 元器件百科 保险丝电阻器作用保险丝电阻器在电路中起着保险丝和电阻的双重作用,主要应用在电源输出电路中。保险丝电阻器的阻值一般较小(几欧姆至几十欧姆),功率也较小(1/8---1W)。电路负载发生短路故障,出现过流时,保险丝电阻器的温度在很短的时间内就会升高到500℃---600℃,这时电阻层便受热剥落而熔断,起到保险丝的作用,达到提高整机安全性的目的。保险丝电阻器选用保险丝电阻器具有保护功能的电阻器。选用时应 芯城品牌采购网 2025-10-31 7862 保险丝电阻器